*Текущая стоимость 2 077,50 - 4 191,36 уже могла изменится. Что бы узнать актуальную цену и проверить наличие товара, нажмите "Добавить в корзину"





1. Если есть отключение загрузки, пожалуйста, проверьте, имеет ли трансформатор короткое замыкание или является ли трансформатор разумным или ли Кремниевая Контролируемая фаза подключена. Плата подключается к цепи серии, которая эквивалентна только функции переключателя. Даже если используется короткое замыкание тиристора, это приведет к тому, что цепь не отключится и не будет работать все время, но не приведет к отключению линии.
Для машины высокой мощности выше 2 кВт, он будет иметь очень высокий ток возбуждения, что приводит к проблеме выключения.
2. Если мощность ниже 1 кВт, рекомендуется выбрать пластины 99 юаней, оснащенные BTA24-800. Если мощность составляет 1-2 кВт, рекомендуется выбрать панель с BTA41-600 или BTA41-800. Если мощность выше 2 кВт, рекомендуется выбрать SCR привод + SCR модуль.
SCR диски предназначены для адаптации к более высоким нагрузкам, потому что емкость двунаправленного тиристора не велика, и это, как правило, только 40А. Поэтому необходимо использовать Тиристор для увеличения нагрузки. Поскольку дополнительный тип SCR очень большой, это просто диск и не содержит SCR. Для соответствия SCR.
Бессрочное прошивки
3.> силовой трансформатор: 8-12 В переменного тока Частотный трансформатор. (Обратите внимание, это должен быть силовой Частотный трансформатор, импульсный источник питания не может работать!)
SCR-это BTA24-800, номинальный ток-25А напряжение 800 в, и трансформатор под 1 кВт можно контролировать. И BTA41-600 (40A 600V) может быть выбран и BTA41-800 (40A 800V) может быть выбран, чтобы быть пригодным для 1-2KW трансформаторов.
Большое количество Кремния управляемого кремния может управлять рядом трансформаторов, которые, вероятно, чехол. 25А, теоретическая грузоподъемность 25x220 = 5500 Вт. Теоретическая грузоподъемность 40А 40x220 = 8800 Вт. Кажется очень большим, на самом деле, потому что трансформатор, работающий для точечной сварки, работает вблизи от короткого замыкания для высокой нагрузки. Мгновенная мощность 1 киловатт-трансформатора может достигать 3 кВт-4 кВт. 2 киловатт-трансформатор 6 кВт-8 кВт. Так что просто скажите, что если ваш трансформатор меньше 1 кВт, выберите 25. Если это 1-2 киловатта, он будет выбирать 40.
Если вы хотите управлять трансформатором больше, пожалуйста, возьмите Контроллер SCR или привод + 100 Encore кремниевый управляемый модуль. Он может поддерживать SCR ниже 1000A. Использование метода точно такое же, как и плата управления, но проводка будет немного отличаться.
> Гнездо SW на основной плате управления такое же, как гнездо J3 на панели управления, для розетки ножного переключателя.
Функция Введение:
Можно установить двойной пульс, один пульс. Интервал между двумя колоннами импульсов можно регулировать. Максимальный интервал составляет 500 миллисекунд.
Когда любое время пульса в двух импульсах 0, это одиночный импульсный режим. В режиме monopulse установите интервал импульса до 0.
Он может установить ток и время первого импульса и второго импульса отдельно. Максимальная продолжительность каждого импульса может составлять 0,99 секунд.
Кодировщик может регулировать все параметры по коротким параметрам переключения. Когда символ «<» находится позади P1, роторный кодировщик регулирует процент тока первого импульса. Символ «<» в задней части P2, роторный кодировщик регулирует процент тока второй импульса. Метод регулировки времени такой же, как символ индикации *. Короткое нажатие параметра «изменить», длинное нажатие параметра «нулевой ток». Первое число-это время работы первого импульса с единицей миллисекунд. Второе число-интервал времени двух импульсов в миллисекундах. Третье число-секундные импульсные часы, единица миллисекунд.
По умолчанию красный; Размеры: Положение переключателя-00, самая длинная задержка 100 мс (0,1 секунд).
Если вы циферблат до 10, самая длинная задержка 200 мс (0,2 секунд).
Если вы циферблат до 01, самая длинная задержка 500 мс (0,5 секунд).
Если вы набрали до 11, то самая длинная задержка составляет 990 мс (0,99 секунд).
Размер основной платы управления и панели 100x80 мм. Поперечное расстояние между отверстиями составляет 90 мм, а продольное расстояние между отверстиями-70 мм.
На следующем рисунке указан размер установки основной платы управления
Способ подключения, в котором зеленая линия не может быть непосредственно подключена к основному трансформатору через плату. Это своего рода более жесткое соединение. Потому что проводка терминала зеленой линии на плате подключена напрямую. Так что это то же самое, не проходя доску.
Оснащен BTA24-800 или, BTA140800 или BTA41-600 или BTA41-800 схемой подключения небольшой платы питания:
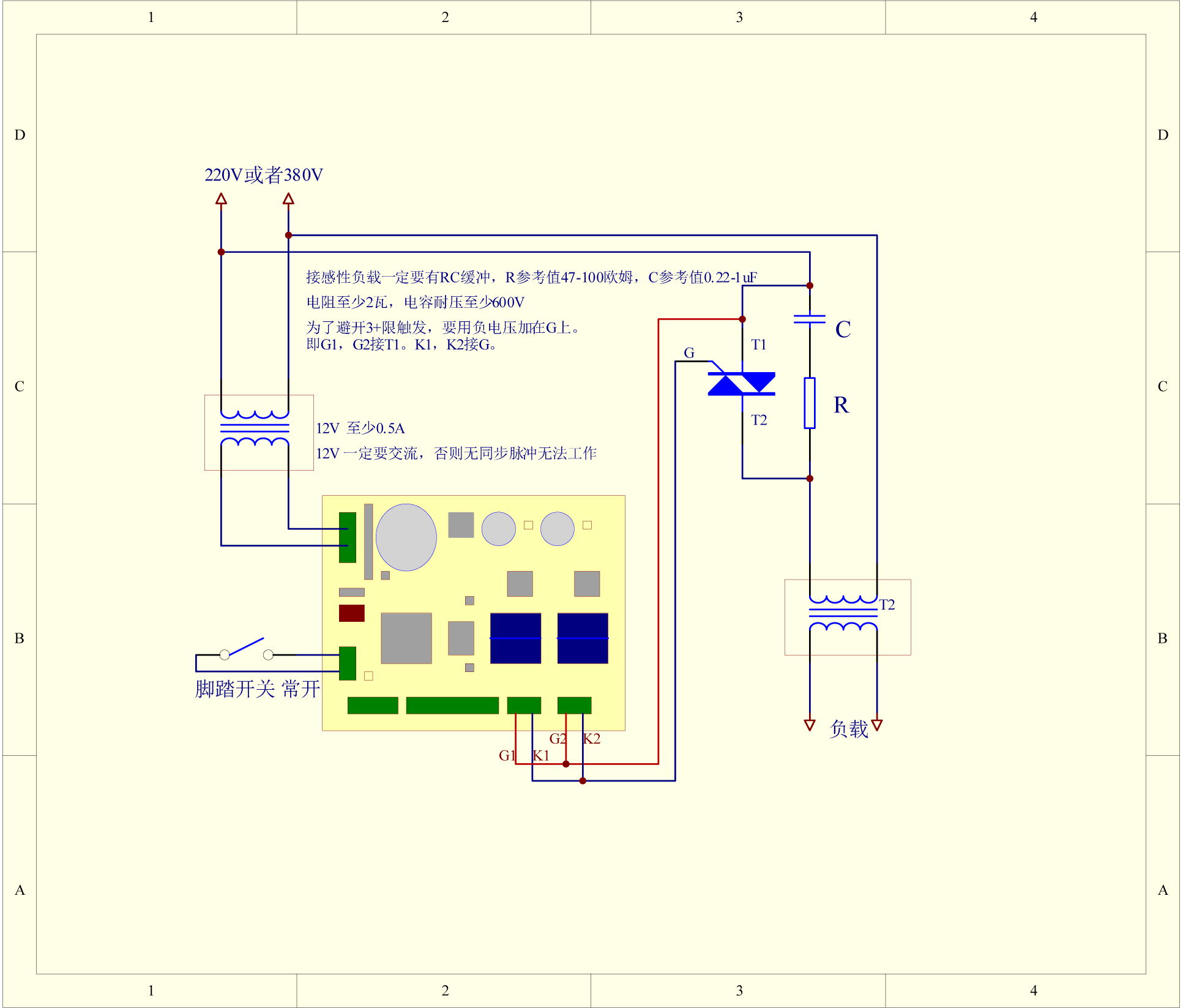
Кремниевая управляемая Кремниевая Плата подключения двунаправленного тиристора:
Подключение SCR или SCR модулей, управляемых SCR
![]()