Новое поступление
Магазина E-tech Industrial Co.,LTD работает с 14.07.2013. его рейтинг составлет 91.28 баллов из 100. В избранное добавили 1988 покупателя. Средний рейтинг торваров продавца 4.6 в продаже представленно 1210 наименований товаров, успешно доставлено 2482 заказов. 608 покупателей оставили отзывы о продавце.
Характеристики
*Текущая стоимость 2 047,53 уже могла изменится. Что бы узнать актуальную цену и проверить наличие товара, нажмите "Добавить в корзину"
| Месяц | Минимальная цена | Макс. стоимость | Цена |
|---|---|---|---|
| Feb-22-2026 | 2600.1 руб. | 2652.44 руб. | 2626 руб. |
| Jan-22-2026 | 2108.87 руб. | 2150.21 руб. | 2129 руб. |
| Dec-22-2025 | 2559.39 руб. | 2610.4 руб. | 2584.5 руб. |
| Nov-22-2025 | 2538.72 руб. | 2589.46 руб. | 2563.5 руб. |
| Oct-22-2025 | 2027.77 руб. | 2068.87 руб. | 2047.5 руб. |
| Sep-22-2025 | 2497.72 руб. | 2547.62 руб. | 2522 руб. |
| Aug-22-2025 | 2477.49 руб. | 2527.67 руб. | 2502 руб. |
| Jul-22-2025 | 2456.35 руб. | 2505.66 руб. | 2480.5 руб. |
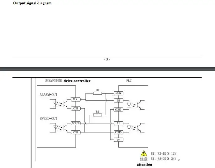
Описание товара




















Упаковка:
1 коробка * BLD-300B BLDC драйвер двигателя
Пожалуйста, будьте терпеливы, чтобы прочитать Примечание ниже:
Цвета и детали:
Пожалуйста, добавьте ваш выбор цветов, модели, размера и других деталей в соответствии с списком товаров в вашем заказе, в противном случае он будет отправлен случайным образом.
Обратите внимание, что цвета на изображении могут немного отличаться от внешнего вида из-за камер или компьютера, но мы постараемся показать вам самое похожее.
Доставка и доставка
1. Мы отправим товар в течение 1-5 дней (за исключением праздничного периода) после подтверждения оплаты aliexpress.
2. Покупатели несут ответственность за все дополнительные расходы, такие как таможенные сборы, брокерские сборы, пошлины и налоги на импорт в вашу страну. Эти дополнительные расходы могут быть предъявлены вам к оплате при доставке.
3. Мы поставляем 3 вида услуг доставки следующим образом:
A. Ускоренная доставка: DHL, UPS или FedEx. Для более быстрой доставки или плавной транзакции, мы изменим лучшую транспортную компанию среди них.
Расчетное время доставки: 3-7 дней
B. Стандартная доставка: e-EMS, EMS, ePacket (только в США)
Расчетное время доставки: 5-15 дней.
C. Экономичная доставка: Почта Китая или Авиапочта Гонконга и так далее.
Расчетное время доставки: 15-60 дней
Россия и Бразилия: 90 дней
4. Дополнительные расходы на отдаленные районы
Стоимость доставки не включает DHL, FedEx, UPS стоимость удаленной области. Если ваш адрес находится в удаленной зоне, вы должны заплатить дополнительно 26,00 долл. США за доставку.
Возврат и возврат:
Мы хотели бы сделать все возможное, чтобы обслуживать наших клиентов. Мы предлагаем одномесячную бесплатную замену. Покупатели могут запросить замену в течение 15 дней с момента получения товара. Покупатель должен возвратить нам товар в первоначальном состоянии и нести расходы по доставке при возвращении. Однако, если товары повреждены или утеряны, когда они возвращаются, Мы не дадим покупателю полный возврат средств. Покупатель должен подать иск на транспортную компанию, чтобы возместить стоимость ущерба или убытков.
Гарантия и техническое обслуживание
Мы также предоставляем 12-месячное бесплатное обслуживание. Покупатель должен вернуть товар в хорошую посылка и оплатить стоимость доставки для возврата. Если какую-то часть товара необходимо заменить, покупатель должен также оплатить расходы на части, которые должны быть заменены.
Перед возвратом товаров, пожалуйста, подтвердите обратный адрес и способ доставки с нами. После того, как товар будет передан компании-перевозчику, пожалуйста, отправьте нам почтовый идентификатор. Как только мы получим товары, мы отремонтируем или ОБМЕНЯЕМ их как можно скорее.
Отзывы:
Удовлетворение ваших запросов и положительная обратная связь очень важны для нас. Если вы удовлетворены нашими товарами и обслуживанием, оставьте положительный отзыв и 5 звезд. Если у вас есть какие-либо проблемы с нашими товарами или услугами, пожалуйста, не стесняйтесь связаться с нами, прежде чем оставить отрицательный отзывы (1 ~ 2 звезды). Мы сделаем все возможное, чтобы решить проблемы и предоставить Вам лучшее обслуживание клиентов.
Смотрите так же другие товары: